• <tt id="4k8kk"></tt>
    <tt id="4k8kk"></tt>
    <tt id="4k8kk"></tt>
  • <tt id="4k8kk"><rt id="4k8kk"></rt></tt>
    <tt id="4k8kk"></tt>
  • <li id="4k8kk"><tt id="4k8kk"></tt></li>
  • <li id="4k8kk"><tt id="4k8kk"></tt></li>
  • <li id="4k8kk"></li>
    語言選擇
    簡體中文   English
    咨詢熱線
    400-629-1299
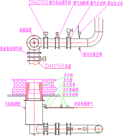
    一、工作流程及工藝結構

    該高爐煤氣燃燒機為兩段火控制,用紫外線火焰監測器檢測火焰,當點火不著、意外熄火都自動切斷燃氣,保護設備的安全運行。
    燃氣壓力為:17kpa
    燃氣熱值:800kcal/Nm3
    用戶必須配備4-6kg/cm2的壓縮空氣,同時配備點火用的液化氣罐,作切斷燃氣和點火用。燃燒器的火口磚用戶必須按照供方提供的圖紙來制作。

    技術參數 注:設備支持定制,若無您想要的型號,請聯系客服咨詢詳情

    型號 Φ Φ1 N1—D1 Φ2 N2—D2 A×B N—d 風機 配鍋爐
    ZMg80 Φ280 Φ330 4—Φ16 Φ240 8—Φ23 160×120 4—Φ14 2.2KW 1t/h
    ZMg160 Φ350 Φ400 6—Φ16 Φ295 8—Φ23 260×145 4—Φ14 3KW 2t/h
    ZMg320 Φ480 Φ530 6—Φ16 Φ350 12—Φ23 280×166 4—Φ16 5.5KW 4t/h
    ZMg400 Φ500 Φ550 6—Φ16 Φ400 12—Φ23 280×190 4—Φ16 7.5KW 5t/h
    ZMg480 Φ550 Φ600 8—Φ16 Φ400 16—Φ23 280×190 4—Φ16 7.5KW 6t/h
    ZMg640 Φ630 Φ680 8—Φ16 Φ445 16—Φ25 370×220 4—Φ16 11KW 8t/h
    ZMg800 Φ695 Φ750 10—Φ16 Φ495 20—Φ25 370×250 4—Φ18 18.5KW 10t/h
    ZMg1200 Φ830 Φ890 8—Φ18 Φ550 20—Φ25 450×280 4—Φ18 37KW 15t/h
    ZMg1440 Φ920 Φ980 10—Φ18 Φ600 20—Φ25 450×280 4—Φ18 37KW 18t/h

    設備訂購須知

    歡迎致電咨詢設備優惠報價:153 2496 1622 (微信同號)

    相關案例

    好項目不容錯過,為您推薦更多相關新聞

    在線留言咨詢

    我們會第一時間回復您!一對一私人定制

    留電咨詢,我們將24小時給予回復,謝謝

    *為了您的權益,您的隱私將被嚴格保密

    在線留言咨詢 留電咨詢, 我們將快速給予回復, 謝謝

    *為了您的權益,您的隱私將被嚴格保密

    鄭州鼎力新能源技術有限公司 豫ICP備14018430號-9

    国产一本到在线视频观看